मिथेन सेन्सरको लागि 1653nm 40mW DFB लेजर डायोड CH4 सेन्सिङले सबक्यारियरमा चिपको साथ प्लानर निर्माण प्रयोग गर्दछ। उच्च पावर चिप हर्मेटिक रूपमा इपोक्सी-मुक्त र फ्लक्स-मुक्त 14-पिन बटरफ्लाइ प्याकेजमा सील गरिएको छ र उच्च गुणस्तरको लेजर प्रदर्शन सुरक्षित गर्न थर्मिस्टर, थर्मोइलेक्ट्रिक कूलर, र मोनिटर डायोडसँग फिट गरिएको छ। हाम्रा लेजर उत्पादनहरू Telcordia GR-468 योग्य छन्, र RoHS निर्देशनहरूको अनुपालनमा।
मिथेन सेन्सरको लागि 1653nm 40mW DFB लेजर डायोड CH4 सेन्सिङले सबक्यारियरमा चिपको साथ प्लानर निर्माण प्रयोग गर्दछ। उच्च पावर चिप हर्मेटिक रूपमा इपोक्सी-मुक्त र फ्लक्स-मुक्त 14-पिन बटरफ्लाइ प्याकेजमा सील गरिएको छ र उच्च गुणस्तरको लेजर प्रदर्शन सुरक्षित गर्न थर्मिस्टर, थर्मोइलेक्ट्रिक कूलर, र मोनिटर डायोडसँग फिट गरिएको छ। हाम्रा लेजर उत्पादनहरू Telcordia GR-468 योग्य छन्, र RoHS निर्देशनहरूको अनुपालनमा।
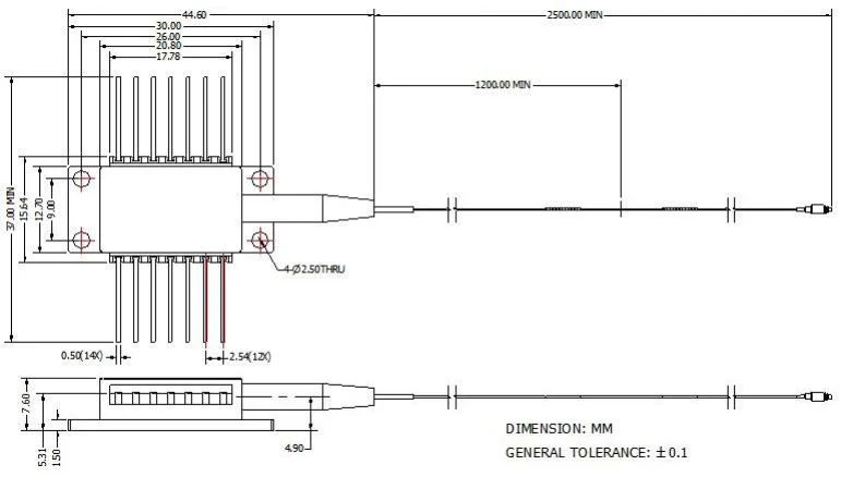
उद्योग-मानक 14-पिन पुतली प्याकेज;
निर्मित TEC र अप्टिकल अलगाव;
उच्च प्रदर्शन, मल्टिक्वान्टम वेल (MQW) वितरित-फिडब्याक (DFB) लेजर।
ग्यास पत्ता लगाउनको लागि निष्क्रिय घटकहरूको उत्पादन परीक्षण;
फाइबर ग्यास पत्ता लगाउने प्रणाली;
लेजर स्रोतहरू।
| प्यारामिटर | प्रतीक | अवस्था | न्यूनतम | टाइप गर्नुहोस्। | अधिकतम | एकाइ |
| केन्द्र तरंगदैर्ध्य | λc | TL=15~35℃ CW | 1652.7 | 1653.7 | 1654.7 | nm |
| अप्टिकल आउटपुट पावर | पो | CW | - | 40 | - | mW |
| LD थ्रेसहोल्ड वर्तमान | ITH | CW | - | 15 | 40 | mA |
| LD फर्वार्ड वर्तमान | यदि | Pf = रेटेड पावर | - | 300 | 400 | mA |
| अप्टिकल अलगाव | - | -10 < TC < +70℃ | 30 | - | - | dB |
| साइड-मोड दमन अनुपात | SMSR | CW | 35 | 40 | - | dB |
| उत्तरदायित्व निगरानी गर्नुहोस् | म / पीएफ | - | - | 1 | 20 | uA/mW |
| उत्तरदायित्व स्थिरता निगरानी गर्नुहोस् | - | - | - | - | २०% | - |
| गाढा वर्तमान निगरानी गर्नुहोस् | आईडी | VPD = 5V | - | - | 50 | nA |
| TEC वर्तमान | ITEC | Tcase = 75℃ | - | - | 2 | A |
| TEC भोल्टेज | VTEC | Tcase = 75℃ | - | - | 3.5 | V |
| TEC पावर खपत | P | Tstg = 25℃ | - | - | 5 | W |
| थर्मिस्टर प्रतिरोध | Rth | Tcase = 75℃ | 9.5 | 10 | 10.5 | कोहम |
| थर्मिस्टर बी स्थिर | बिथ | Tstg = 25℃ | - | 3900 | - | K |
| तरंगदैर्ध्य बहाव (EOL) | △λ | 25 वर्षको जीवनकालमा परीक्षण गरियो | - | - | ± ०.१ | nm |
| लहर। तापमान गुणांक | Δλ/ΔT | TEC तापमान 15 ℃ देखि 35 ℃ मा | - | 0.09 | - | nm/℃ |
| तरंगदैर्ध्य वर्तमान गुणांक | Δλ/ΔΙ | - | - | 0.01 | - | nm/mA |

सबै उत्पादनहरू ढुवानी अघि परीक्षण गरिएको छ;
सबै उत्पादनहरूमा 1-3 वर्षको वारेन्टी छ। (गुणस्तर ग्यारेन्टी अवधि पछि उपयुक्त मर्मत सेवा शुल्क लाग्न थाल्यो।)
हामी तपाईंको व्यवसायको कदर गर्छौं र तत्काल 7 दिन फिर्ता नीति प्रस्ताव गर्दछौं। (वस्तुहरू प्राप्त गरेपछि 7 दिन);
यदि तपाईंले हाम्रो स्टोरबाट खरिद गर्नुभएका वस्तुहरू पूर्ण गुणस्तरका छैनन् भने, त्यो हो कि तिनीहरूले निर्माताको विशिष्टताहरूमा इलेक्ट्रोनिक रूपमा काम गर्दैनन्, केवल तिनीहरूलाई प्रतिस्थापन वा फिर्ताको लागि हामीलाई फिर्ता गर्नुहोस्;
यदि वस्तुहरू दोषपूर्ण छन् भने, कृपया हामीलाई डेलिभरीको 3 दिन भित्र सूचित गर्नुहोस्;
कुनै पनि वस्तुहरू फिर्ता वा प्रतिस्थापनको लागि योग्य हुनको लागि तिनीहरूको मौलिक अवस्थामा फर्काइनुपर्छ;
क्रेता सबै ढुवानी लागत को लागी जिम्मेवार छ।
प्रश्न: तरंगदैर्ध्यको शुद्धता के हो?
A: +/-0.5nm।
Q: तपाईंसँग आउटपुट पावरको अन्य संस्करणहरू छन्?
A: 10mW, 15mW, 50mW।
NH3 सेन्सिङका लागि 1512nm 10mW DFB 14PIN बटरफ्लाइ लेजर
आर्द्रता H2O सेन्सिङको लागि 1392nm DFB बटरफ्लाइ लेजर डायोड
CH4 पत्ता लगाउनको लागि 1653nm DFB बटरफ्लाइ लेजर डायोड
CO संवेदनका लागि 1567nm DFB बटरफ्लाइ लेजर डायोड
हाइड्रोजन सल्फाइड पत्ता लगाउनको लागि 1578nm 10mW DFB लेजर डायोड
CO2 पत्ता लगाउनको लागि 1580nm DFB बटरफ्लाइ लेजर डायोडप्रतिलिपि अधिकार @ 2020 Shenzhen Box Optronics Technology Co., Ltd. - China Fiber Optic Modules, Fiber Coupled Lasers Manufacturers, Laser Components Suppliers सबै अधिकार सुरक्षित।